Затвор поворотный дисковый ABRA BUV-VF863D межфланцевый с редуктором

| Применение | водоснабжение, теплоснабжение, масло |
| Материал корпуса | Чугун EN-GJL-250 |
| Материал диска | Нержавеющая сталь 316 |
| Уплотнение | NBR |
| Давление номинальное | 16 бар |
| Температура | от -15℃ до +70℃ |
| Тип управления | редуктор |
| Диаметры | 32 - 600 |
| Купить "Затвор поворотный дисковый ABRA BUV-VF863D межфланцевый с редуктором" можно позвонив нам по телефону в Минске +375 (17) 399-07-10 либо отправив заявку на e-mail: iz@kompensator.by. |
Описание ABRA BUV-VF863
Конструктивные решения и стабильное качество производства обеспечивает поворотным затворам ABRA-BUV самую высокую степень герметичности – класс «А» (по ГОСТ 54808 и ГОСТ 9544).
Жесткая посадка диска на шток шлицевыми или полигональными соединениями. Никаких шпонок, штифтов, заклепок, пинов, крепежных пальцев.
Прочная ручка с фиксацией через каждые 10°, которая не гнется и не ломается или простой и надежный редуктор. Мощная и надежная конструкция.
Основные области применения таких затворов - для трубопроводов, транспортирующих воду, теплоносители и нейтральные среды, в том числе газы, такие как воздух, азот, природный (натуральный) газ, пропан-бутан и т.д.
-
Затворы проходят двойной контроль качества - после гидроиспытаний дополнительно испытываются воздухом
-
Малое гидравлическое сопротивление затворов ABRA обеспечивает великолепные гидравлические характеристики.
-
Поворотный затвор межфланцевый ABRA - это запорно-регулирующая трубопроводная арматура с минимальной практически достижимой строительной длиной.
-
Высокое качество изготовления и проверенные материалы конструкции обеспечивают отличные эксплуатационные характеристики.
-
Конструкция поворотного затвора ABRA обеспечивает при необходимости полную разборность.
-
Очевидно, что в силу соображений симметрии, затвор поворотный дисковый чугунный ABRA допускает возможность подачи среды в любом направлении.
В качестве основных преимуществ использования затворов поворотных следует упомянуть:
-
класс герметичности А (наилучший)
-
малый вес и габаритный размер
-
малая строительная длина
-
оптимальную цену приобретения
-
низкую стоимость установки и обслуживания
-
герметичное перекрытие потока в обоих направлениях
-
тот факт, что с рабочей средой контактируют только две детали: седловое уплотнение и диск
-
при монтаже не нужны дополнительные уплотнения, поскольку само седло затвора служит уплотнением соединения
Уплотнение и диск затвора ABRA BUV-VF863 обладают отличной химической устойчивостью к:
-
воде, в том числе морской воде, деминерализованной, дистиллированной, газированной воде и т.п.
-
минеральным маслам
-
бензинам неэтилированным
-
большинству буровых растворов
-
алифатическим углеводородам (метан, пропан, бутан)
-
хладагентам ("хладонам", "фреонам", холодильным агентам) групп HFA, HFB, HFC
-
дизельному горючему с содержанием ароматических углеводородов не более 40% (обычное дизтопливо)
-
растительным и животным маслам и жирам
-
большому количеству разбавленных кислот и оснований, солевых растворов при комнатной температуре
Уплотнение и диск затвора ABRA BUV-VF863 обладают средней химической устойчивостью (нежелательно, но возможно применение) к нижеследующим средам:
-
Дизтопливо с содержанием ароматических углеводородов свыше 40%, этилированные бензины
-
Биологически разлагающиеся гидравлические жидкости
-
Силиконовые масла и жиры (масла могут вызвать сокращение)
Уплотнение и диск затвора ABRA BUV-VF863 обладают низкой / нулевой химической устойчивостью (не применяются) к нижеследующим средам:
-
Ароматические углеводороды (толуол, бензол)
-
Хлорированные углеводороды (трихлор-, перхлорэтилен)
-
Тормозные жидкости и антифризы на гликолевой основе
-
Хладагенты ("хладоны", "фреоны", холодильные агенты) группы HFD
-
Ацетон; этиловый, бутиловый и т.д. эфиры
Габаритные размеры, рабочие давления и температуры, крутящие моменты, вес и Kv (таблица) затвора поворотного дискового чугунного ABRA-BUV-VF863DxxxG Ду40-600 Ру 16, межфланцевого. Размеры в мм.
| Ду / DN | 32/40 (1 1/4" - 1 1/2") |
50 (2") |
65 (2 1/2 ") |
80 (3") |
100 (4") |
125 (5") |
150 (6") |
200 (8") |
250 (10") |
300 (12") |
350 (14") |
400 (16") |
450 (18") |
500 (20") |
600 (24") |
|
| Ру / PN |
16 бар (1,6 МПа)
|
|||||||||||||||
| Диапазон рабочих температур, °C |
Максимально допустимая температура 90 °C,
Минимальная температура окружающей среды -20 °C, Рабочая температура от -15 до +70 °C |
|||||||||||||||
| Код товара | ABRA -BUV- VF863 D032/040 |
ABRA -BUV- VF863 D050 |
ABRA -BUV- VF863 D065 |
ABRA -BUV- VF863 D080 |
ABRA -BUV- VF863 D100 |
ABRA -BUV- VF863 D125 |
ABRA -BUV- VF863 D150 |
ABRA -BUV- VF863 D200 |
ABRA -BUV- VF863 D250 |
ABRA -BUV- VF863 D300 |
ABRA -BUV- VF863 D350 BS* |
ABRA -BUV- VF863 D400 BS* |
ABRA -BUV- VF863 D450 BS* |
ABRA -BUV- VF863 D500 BS* |
ABRA -BUV- VF863 D600 BS* |
|
| С - строительная длина Строительная длина EN558-1 GR (серия) 20 = ISO 5752 "short", мм |
33
|
43
|
46
|
46
|
52
|
56
|
56
|
61
|
68
|
78
|
78
|
102
|
114
|
127
|
154
|
|
| Y-межосевое расстояние присоединительных отверстий (фланцев), мм |
100/110
|
125
|
145
|
160
|
180
|
210
|
240
|
295
|
355
|
410
|
470
|
525
|
585
|
650
|
770
|
|
| A1 - высота от оси трубы до верхнего фланца, мм | 117 |
133
|
143
|
154
|
166
|
181
|
201
|
231
|
275
|
298
|
355 | 390 | 435 | 440 | 516 | |
| A , мм |
54
|
70
|
79
|
85
|
106
|
107
|
129
|
175
|
208
|
239
|
280 | 323 | 359 | 377 | 436 | |
| L - длина рукоятки от оси затвора, мм | 267 |
360
|
499 |
не поставляется с рукояткой
|
||||||||||||
| K=HL - высота штока, высота рукоятки, мм | 28 |
38
|
40 |
47
|
74 | 74 | 84 | 84 | ||||||||
| B1 - квадрат штока, мм | 11x11 | 11x11 | 11x11 | 11x11 | 14x14 | 17x17 | 17x17 | 17x17 | 22x22 | 27x27 | - | |||||
| B1 - диаметр штока, мм = N | - | 31,6 |
37,95
|
42,86
|
45,72
|
53,96
|
||||||||||
| B2 - шпонка, мм | - |
8 (8x7)
|
10 (10х8) | 12 (12x8) | 16 (16х10) | |||||||||||
| K1, мм | - | 34,6 | 40,95 | 45,86 | 48,72 | 57,96 | ||||||||||
| Ø G* , мм |
38,1
|
46,7
|
59,4
|
75,3
|
98,2
|
117,1
|
147,9
|
195,2
|
242,7
|
292,4
|
325,6
|
380,3
|
429,3
|
481
|
580,4
|
|
| Ø E* , мм |
80
|
97
|
111
|
129
|
153
|
183
|
208
|
266
|
319
|
374
|
429
|
480
|
530
|
582
|
662
|
|
| Ø F* , мм |
70
|
84
|
96
|
115
|
140
|
168
|
195
|
249
|
301
|
356
|
415
|
460
|
510
|
560
|
660
|
|
| Ø H* , мм |
48
|
66
|
80
|
90
|
114
|
137
|
160
|
207
|
260
|
308
|
348
|
410
|
458
|
510
|
614
|
|
| LD , мм |
107
|
128
|
142
|
145
|
113
|
126
|
136
|
161
|
145
|
167
|
186
|
168
|
170
|
178
|
208
|
|
| A* , мм |
21
|
21
|
21
|
21
|
21
|
24
|
25
|
45
|
28
|
28
|
Ø26
|
Ø30
|
Ø30
|
Ø36
|
Ø36
|
|
| B*, мм |
26
|
26 |
26
|
26
|
26
|
26
|
25
|
25
|
31
|
42
|
||||||
| Тип верхнего монтажного фланца по ISO 5210 (ISO 5211) | F-07 |
F-10
|
F-14
|
F-16
|
||||||||||||
| Ø D2 внешний диаметр присоединительного фланца, мм | 90 | 125 | 175 | 210 | ||||||||||||
| Ø E , мм | 70 |
102
|
140
|
165
|
||||||||||||
| Ø FxG, мм x шт | 10(9)x4 |
12x4
|
19(18)x4
|
23(22)x4
|
||||||||||||
| Вес, кг | 2,5 | 3 | 3,6 | 4,0 | 4,8 | 6,3 | 7,4 | 15,8 | 18,8 | 27,0 | 42,5* | 60,5* | 75,5* | 105,0* | 174,0* | |
Габаритные размеры и вес (таблица) затвора поворотного дискового чугунного ABRA-BUV-VF863DxxxG Ду32-600 Ру 16, межфланцевого. Размеры в мм.
|
Затвор
|
Ду
|
Lg*
|
Dw
|
A
|
A1
|
K*
|
K'
|
Вес, кг. Общий =
Затвор + Редуктор |
| BUV-VF863D040G | 32/40 | 195 | 150 | 54 | 117 | 68 | 45 | 4,5=2,5+2,0 |
| BUV-VF863D050G | 50 | 205 | 70 | 133 | 5,0=3,0+2,0 | |||
| BUV-VF863D065G | 65 | 215 | 79 | 143 | 5,6=3,6+2,0 | |||
| BUV-VF863D080G | 80 | 222 | 85 | 154 | 6,0=4,0+2,0 | |||
| BUV-VF863D100G | 100 | 232 | 106 | 166 | 6,8=4,8+2,0 | |||
| BUV-VF863D125G | 125 | 246 | 107 | 181 | 8,3=6,3+2,0 | |||
| BUV-VF863D150G | 150 | 258 | 129 | 201 | 9,4=7,4+2,0 | |||
| BUV-VF863D200G | 200 | 357 | 300 | 175 | 231 | 76 | 43 | 18,8=15,8+3,0 |
| BUV-VF863D250G | 250 | 387 | 208 | 275 | 21,8=18,8+3,0 | |||
| BUV-VF863D300G | 300 | 404 | 239 | 298 | 81 | 108 | 30,0=27,0+3,0 | |
| BUV-VF863D350G | 350 | 432 | 280 | 355 | 59,0=42,5+16,5 | |||
| BUV-VF863D400G | 400 | 498 | 323 | 390 | 124 | 150 | 77,0=60,5+16,5 | |
| BUV-VF863D450G | 450 | 526 | 359 | 435 | 92,0=75,5+16,5 | |||
| BUV-VF863D500G | 500 | 554 | 377 | 440 | 141,0=105,0+36,0 | |||
| BUV-VF863D600G | 600 | 627 | 436 | 516 | 129 | 210,0=174,0+36,0 |
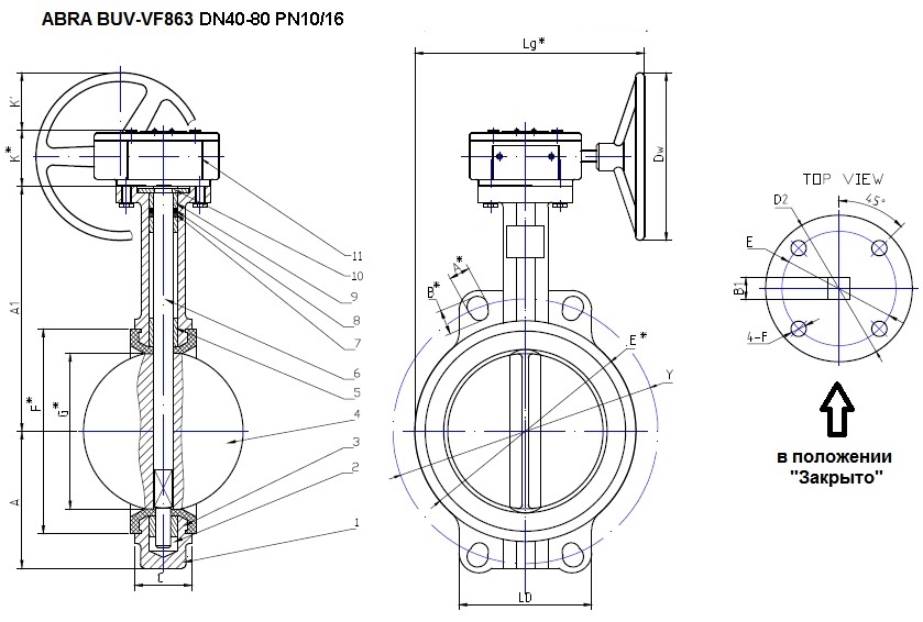
Чертеж габаритный затвора поворотного дискового чугунного межфланцевого ABRA-BUV-VF863DxxxG с редуктором:



Спецификация деталей и материалов затвора поворотного дискового чугунного ABRA-BUV-VF863Dxxx Ду350-600 Ру16 межфланцевого :
Покрытие поверхности (окраска) порошковое эпоксидное электростатическое с предварительным нагревом и выдержкой до полной полимеризации.
| Наименование | Материал |
| 1. 2. Корпус и пробка | Чугун FC25 = DIN GG25 |
| 3. 7. Шток | Нержавеющая сталь SUS410=AISI410 соответствие стандартам JIS, ANSI/SAE, UNI, AFNOR, BS, Wr.nr., здесь |
| 4.Седло | NBR (Этиленпропиленовый вулканизированный каучук = резина) вулканизированная к корпусу |
| 5. Запорный диск | Нержавеющая сталь SUS316 = AISI316/W.nr.1.4401 |
| 6. Длинный подшипник (2шт.) | Армированный PSF/PCU с графитовой вставкой + PTFE |
| 8. Манжета | NBR (Этиленпропиленовый вулканизированный каучук = резина) |
| 9. Уплотнительное кольцо | NBR (Бутадиеннитрильный вулканизированный каучук = резина) |
| 10. Короткий пошипник (2 шт) | Армированный PSF/PCU с графитовой вставкой |
| 11. Стопорная шайба-втулка | Углеродистая сталь |
| 12. Редуктор | Кованная сталь |









